HGD280標準全齒研磨處理齒輪
齒輪特性
|
|
|
|
|
|
|
|
|
|
○ |
精度等級:DIN 6 |
|
○ |
齒面硬度:55~60HRC |
|
|
|
○ |
齒型:標準全齒深齒 |
|
○ |
熱處理:高周波 |
|
|
|
○ |
壓力角:20° |
|
○ |
齒面精加工:研磨 |
|
|
|
○ |
左旋角:19.528° |
|
○ |
齒研基準面:軸徑 |
|
|
|
○ |
材質:20CrMnTi |
|
○ |
追加工:可 |
|
|
|
|
|
|
|
|
|
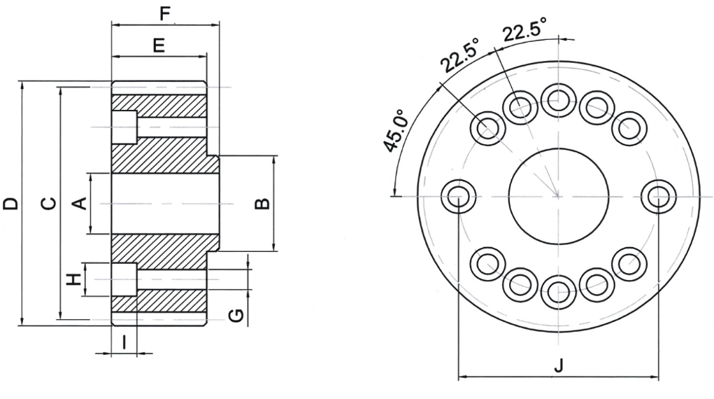
機械尺寸
技術參數
|
I |
J |
周長
L |
變位系數
X |
重量
Kg |
產品型號
Catalog NO. |
|
14 |
63 |
266.69 |
0.3792 |
1.0 |
HGD280-M2-40-31.5 |
|
14 |
63 |
300.00 |
0.3267 |
1.4 |
HGD280-M2-45-31.5 |
|
10 |
63 |
300.00 |
0 |
1.5 |
HGD280-M3-30-20 |
產品型號
Catalog NO. |
模數
M |
齒數
Z |
內徑
Bore |
轂徑
Hua dia |
節圓直徑
Pitch. dia |
外徑
Out. dia |
齒幅
Width |
總長度
Length |
G |
H |
|
Ah6 |
Bh6 |
C |
D |
E |
G |
|
HGD280-M2-40-31.5 |
2 |
40 |
31.5 |
40 |
84.90 |
90 |
26 |
30 |
6.6 |
11 |
|
HGD280-M2-45-31.5 |
2 |
45 |
31.5 |
40 |
95.50 |
100 |
26 |
30 |
6.6 |
11 |
|
HGD280-M3-30-20 |
2 |
30 |
20 |
40 |
95.49 |
101.49 |
35 |
39 |
6.6 |
11 |