
| ○ | 單圈或多圈編碼器 / bus cover | ○ | 磁感應 | |||
| ○ | 單圈分辨率:12...19 位 | ○ | 多圈 4...32 位 | |||
| ○ | 夾緊法蘭或同步法蘭 | ○ | 始終檢測編碼的連續性 | |||
| ○ | 較強的抗沖擊和振動能力 | ○ | 模塊化現場總線接口 | |||
| ○ | 現場總線 / CANopen® | |||||
| ○ |
供電: 5.5VDC to 30VDC 4.75 VDC to 5.5VDC 8VDC to 30VDC |
○ |
保護: 反極性保護 輸出短路保護 |
|||
| ○ | 空載電流:≤ 50mA(24VDC) | ○ | 初始化時間類型:通電后170 ms | |||
| ○ | 接口:現場總線 / CANopen®/ | ○ | 分辨率(脈沖數/圈):9 至 16 位 | |||
| ○ | 多圈位數:4, 8, 12, 16, 24, 32 | ○ | 編碼:二進制碼 | |||
| ○ | 代碼序列:CW默認,可編程 | ○ | 絕對精度:≤ ±0.35° | |||
| ○ | 設備地址:總線蓋中的旋轉開關 | ○ | 抗干擾:DIN EN 61000-6-2 | |||
| ○ | 發射干擾:DIN EN 61000-6-4 | ○ | 認證:CE | |||
| ○ | 可編程參數:每轉步數、轉數、預設、掃描、旋轉方向 | ○ | 診斷功能:位置或參數錯誤、多圈感應 | |||
| ○ | 狀態指示器:紅色和綠色LED集成在總線蓋中 | |||||
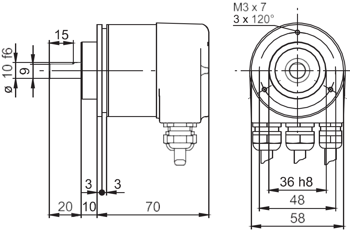
| ○ | 尺寸(法蘭): φ58mm | ○ |
軸負載: ≤140N 軸向 ≤240N 徑向 |
|||
| ○ | 防護等級:DIN EN 60529,IP54,IP65 | ○ | 運行轉速:≤10000 rpm | |||
| ○ | 運行轉矩:≤0.025Nm(IP65) | ○ |
材料: 外殼、法蘭:鋁 軸:不銹鋼 |
|||
| ○ |
軸徑:10mm 其他尺寸根據需求 |
○ | 壽命:2×109 轉(在100%軸承額定負載)(min) | |||
| ○ | 工作溫度:-25...+90 °C | ○ | 重量約:300g | |||
| ○ | 連接:Bus cover | ○ | 相對濕度:95% | |||
| ○ |
抗干擾 DIN EN 60068-2-6 振動 30 g, 10-2000 Hz DIN EN 60068-2-27 沖擊200 g, 6 ms |
|||||

![]() |
![]() |