
| ○ | 單圈編碼器, SSI / BiSS + SinCos | ○ | 光感應 | |||
| ○ | 分辨率:標準13位,可編程 | ○ | 2048 正余弦信號 | |||
| ○ | 夾緊法蘭或同步法蘭 | ○ | 始終檢測編碼的連續性 | |||
| ○ | 較強的抗沖擊和振動能力 | ○ | 編碼器可電子復位 | |||
| ○ |
供電: 5.5VDC to 30VDC 4.75 VDC to 5.5VDC 8VDC to 30VDC |
○ |
保護: 反極性保護 輸出短路保護(不含5V系列) |
|||
| ○ | 空載電流:≤ 100mA(24VDC) | ○ |
接口: CANopen CiA DSP 301 V4.01 DSP 305 V1.0, DSP 406 V3.1 |
|||
| ○ | 分辨率(脈沖數/圈): 可達 13 位 | ○ | 絕對精度:≤ ±0.035° | |||
| ○ | 傳感方式:磁式 | ○ | 編碼:二進制碼 | |||
| ○ | 代碼序列:CW默認,可編程 | ○ |
可編程參數:工作模式 總分辨率 掃描 轉速檢測 |
|||
| ○ | 抗干擾:DIN EN 61000-6-2 | ○ | 發射干擾:DIN EN 61000-6-4 | |||
| ○ | 認證:CE | |||||
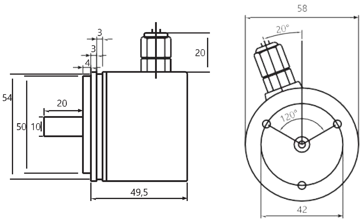
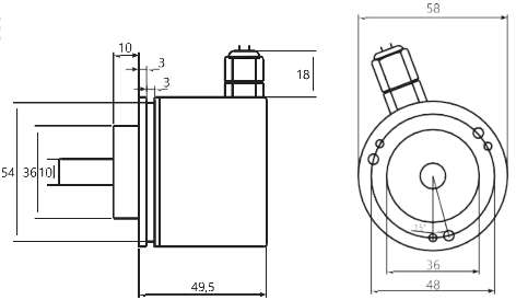
| ○ | 尺寸(法蘭): φ58mm | ○ |
軸負載: ≤40N 軸向 ≤60N 徑向 |
|||
| ○ | 防護等級:DIN EN 60529,IP54,IP65 | ○ | 運行轉速:≤10000 rpm | |||
| ○ | 運行轉矩:≤0.025Nm(IP65) | ○ |
材料: 外殼、法蘭:鋁 軸:不銹鋼 |
|||
| ○ |
軸徑:6, 8, 10, 12 mm 其他尺寸根據需求 |
○ | 壽命:2×109 轉(在100%軸承額定負載)(min) | |||
| ○ |
工作溫度: -40...+110 °C -40 °C up to +120 °C(儲存溫度) |
○ | 重量約:250g | |||
![]() 58B |
![]() 58S |
![]() |
![]() |